导航切换
扬州市建筑产业现代化发展促进会
注册
登录
首页
政策法规
新闻资讯
企业展示
产品展示
资料下载
质量追溯系统
业务平台入口
首页
省级规范
国家规范
省级规范
本市规章
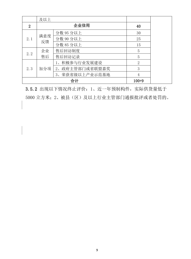
《江苏省预制混凝土构件生产企业综合评价标准》
发布时间: 2020-12-16 11:05:15 浏览次数:3253
上一篇:装配式混凝土建筑施工安全技术规程
下一篇:江苏省政府关于推进绿色产业发展的意见