导航切换
扬州市建筑产业现代化发展促进会
注册
登录
首页
政策法规
新闻资讯
企业展示
产品展示
资料下载
质量追溯系统
业务平台入口
首页
技术资料
技术资料
学术资料
本会资料
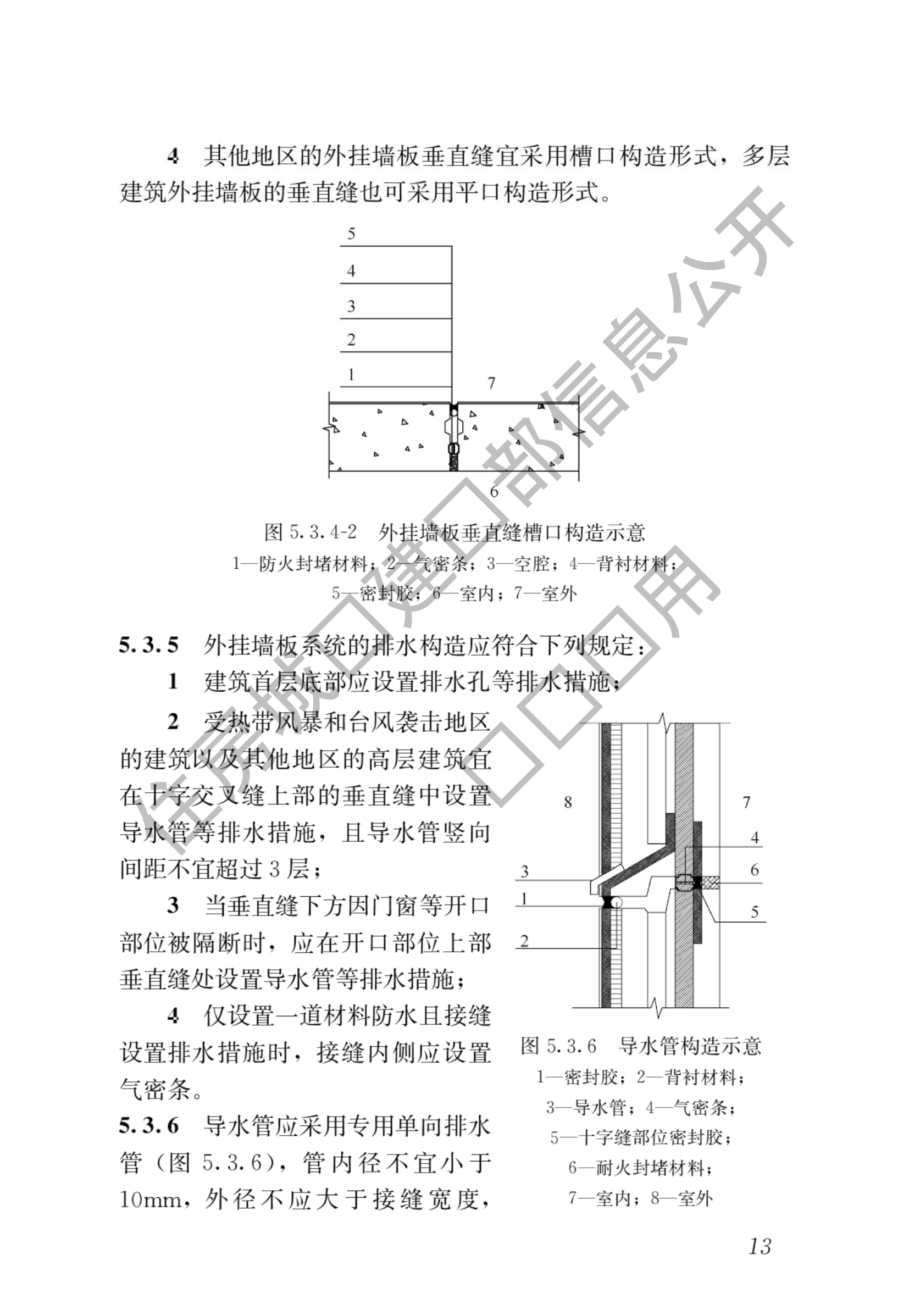
JBJ/T 458-2018行业标准《预制混凝土外挂墙板应用技术标准》
发布时间: 2019-07-25 16:28:18 浏览次数:1796
上一篇:GB/T51301-2018国家标准《建筑信息模型设计交付标准》
下一篇:行业标准JB/T 562-2018《预制混凝土楼梯》