导航切换
扬州市建筑产业现代化发展促进会
注册
登录
首页
政策法规
新闻资讯
企业展示
产品展示
资料下载
质量追溯系统
业务平台入口
首页
技术资料
技术资料
学术资料
本会资料
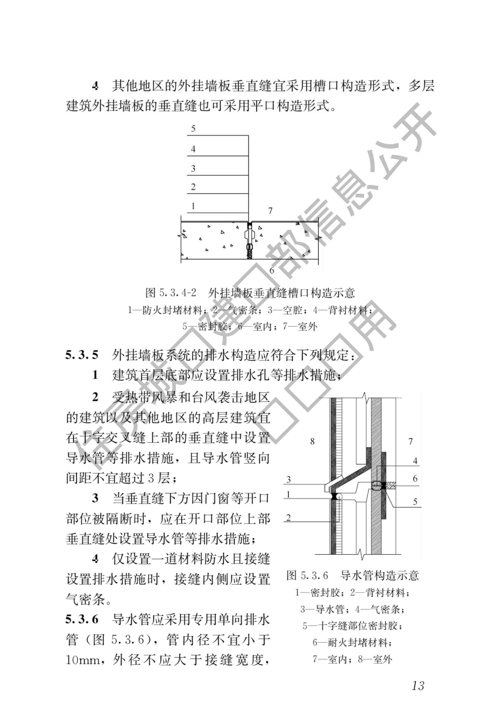
预制混凝土外挂墙板应用技术标准
发布时间: 2019-08-01 19:52:05 浏览次数:2000
上一篇:装配式钢结构住宅建筑技术标准
下一篇:装配式整体卫生间应用技术标准