扬州市建筑产业现代化发展促进会
注册
登录
  • 首页
  • 政策法规
  • 新闻资讯
  • 企业展示
  • 产品展示
  • 资料下载
  • 质量追溯系统
  • 业务平台入口
  1. 首页
  2. 技术资料
  • 技术资料
  • 学术资料
  • 本会资料

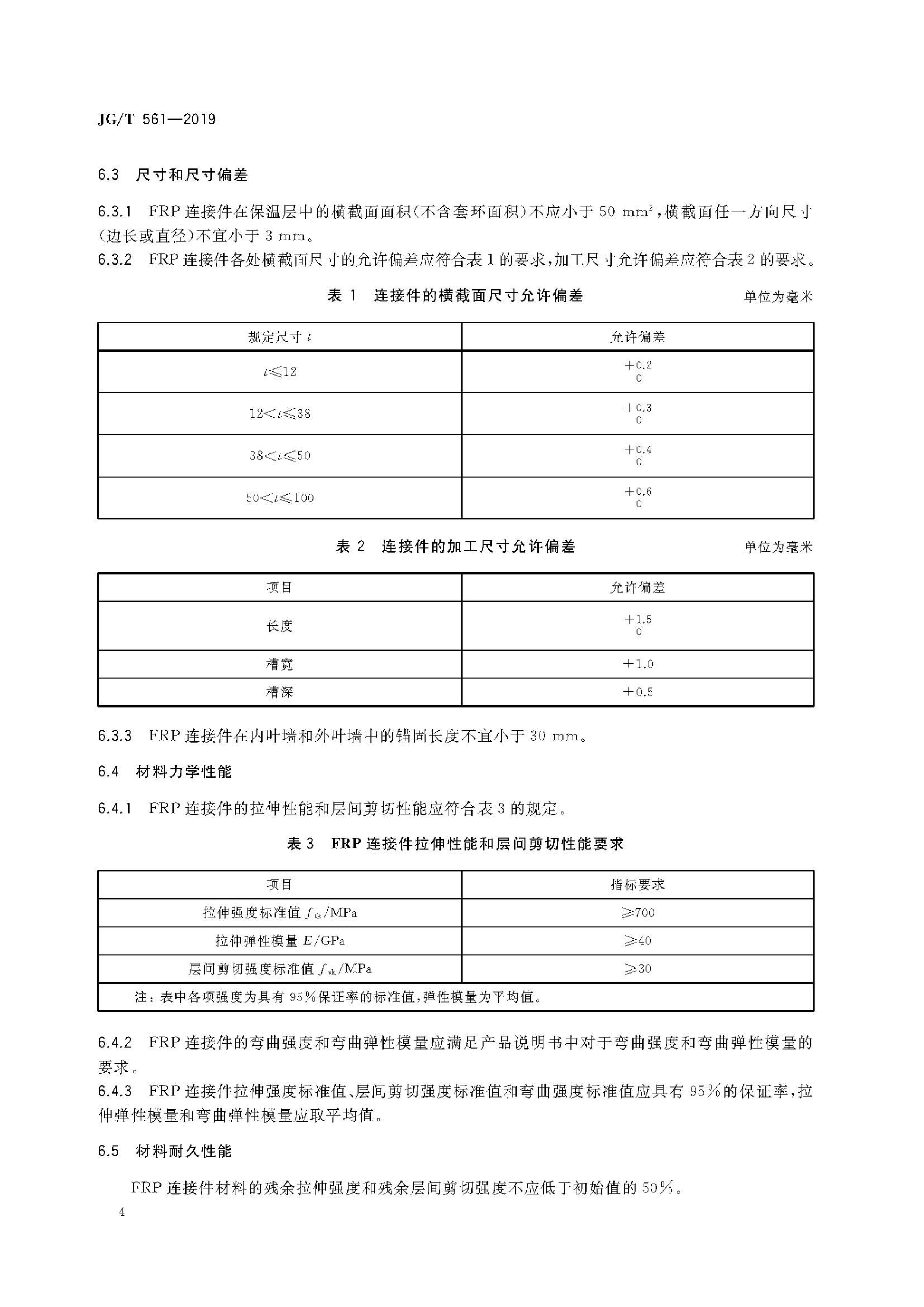
预制保温墙体用纤维塑料连接件

发布时间: 2019-08-01 19:41:05 浏览次数:1969

上一篇:装配式整体卫生间应用技术标准
下一篇:建筑工业化内装工程技术规程T/CECS558-2018
  • 关于
  • 平台介绍
  • 联系我们
  • 新手
  • 找回密码
  • 注册账号
  • 新手指引
  • 友情链接
  • 相关部门
  • 会员风采
客服支持
0514-87901300
在线咨询
9:00 - 17:00

主办单位:扬州市建筑产业现代化发展促进会 copyright2019 扬州市建筑产业化协会版权所有
苏ICP备19048881号